产品中心

首页 / 产品中心 / 各种接地夹具 / 一字扁带夹

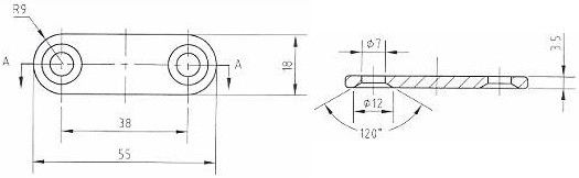
一字扁带夹

 扁带夹主要用于将扁带平行固定到墙面或者地面的安装环境,具有安装方便、牢固度好、易拆卸等特点。

联系我们

  • 特点和优势
  • 主要技术参数及规格
  • 留言

推荐产品

接地棒连接器

接地棒连接器主要用来通过螺纹或压接的方式将不同的接地棒连接在一起,解决接地棒长度受限问题。 铜制接地棒连接器具有安装方便、连接牢固、低成本等优势。

U型夹

U型线夹主要用来实现导线平行或者垂直于接地棒安装环境,可根据情况实现单根或多跟导体的一体安装。具有牢固度好,安装方便,灵活拆卸等优势。

A型夹

A型线夹又叫G型线夹,主要用于将导线固定在接地棒上,具有安装方便、成本低廉、拆卸方便等优势。

十字扁带夹

十字扁带夹主要用于实现扁带的十字交叉连接,具有安装方便、牢固度好等优势。

圆线十字夹

十字圆线线夹主要用于实现圆线的十字交叉连接,具有安装方便、牢固度好等优势。

一字扁带夹

 扁带夹主要用于将扁带平行固定到墙面或者地面的安装环境,具有安装方便、牢固度好、易拆卸等特点。

电缆鞍座

线缆鞍主要用于将线缆平行固定到墙面或者地面的安装环境,具有安装方便、牢固度好、易拆卸等特点。

R型夹

R型线夹主要用于将线缆平行固定到墙面或者地面的安装环境,具有安装方便、牢固度好、成本低、易拆卸等特点。

绝缘穿刺线夹

本线夹采用穿刺结构,易于安装。安装时不需要剥去导线上的绝缘层,防潮、防锈,适合穿刺各种(0.75mm2-400mm2)导线。

开尾螺栓

开尾螺栓适用于连接各种电气导体,材质包括黄铜、纯铜、镀铜或铝

铜接线端子

铜鼻子适用于连接电器设备中各种导线,表面可以镀锡处理

铜C形夹

CCT电力线夹可用于连接各种电器设备的导线,表面可根据需要做镀锡处理